Web Analytics Made Easy - Statcounter
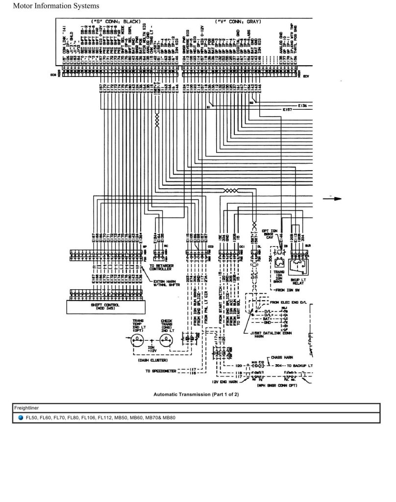
Rinker Boat Wiring Diagram: Master Your Boat’s Electrical System!

Rinker Boat Wiring Diagram: Master Your Boat’s Electrical System!

Rinker Boat Wiring Diagram: Master Your Boat’s Electrical System! boat wiring diagram symbols » wiring boards